Kehadiran Ponsel dengan OS android membuat banyak hal dapat dilakukan dengan mudah, salah satunya adalah cara kita mengontrol perangkat di rumah kita, jika dulu kita hanya bisa menggunakan bluetooth sebagai fitur untuk berbagi (mengirim dan menerima) file, berbeda dengan sekarang, dimana bluetooth mempunyai fungsi tambahan, yaitu untuk mengontrol perangkat - perangkat yang kita kehendaki, salah satu contohnya adalah lampu, Kipas angin/AC dan lain sebagainya.
Supaya kita dapat menggunakan ponsel Android kita untuk mengontrol perangkat-perangkat yang kita kehendaki, kita membutuhkan beberapa Software dan Hardware tambahan, diantaranya
1. Hardware
a. Board Arduino,
Board Arduino ini digunakan sebagai kontroller
b. Modul HC-05.
HC-05 merupakan sebuah Modul bluetooth yang dapat kita hubungkan dengan Mikrokontroller Arduino, Modul ini memungkinkan kita mengontrol perangkat-perangkat rumah kita melalui Smartphone Android dengan menggunakan koneksi bluetooth. berikut adalah tampilan dari modul HC-05
2. Software
- Arduino IDE (software untuk memprogram Arduino IDE)
- Arduino Bluetooth controller (software yang akan digunakan untuk komunikasi antara Android dan board Arduino
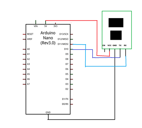
Setelah kita selesai pada tahap pengumpulan bahan yang dibutuhkan, selanjutnya kita masuk pada tahapan perancangan perangkat kerasnya. skema perancangan perangkat kerasnya dapat dilihat pada Gambar berikut
Keterangan Gambar:
Untuk lebih jelasnya, konfigurasi dari skema diatas dapat ditulis sebagai berikut
- pin VCC dihubungkan dengan pin 5V pada Arduino.
- pin GND dihubungkan dengan pin GND Arduino.
- pin TX (transmit) dihubungkan dengan pin D10 Arduino, karena pin D10 dapat digunakan sebagai RX (receive) sehingga pengkabelannya, pin TX pada HC-05 dihubungkan dengan pin D10 (RX) pada Board Arduino.
- pin RX dihubungkan dengan pin D11 Arduino, karena pin D11 dapat digunakan sebagai TX (transmit) sehingga pengkabelannya, pin RX pada HC-05 dihubungkan dengan pin D11 (TX) pada Board Arduino.
untuk pin En (Enable), pin ini sebenarnya dapat digunakan untuk memutuskan koneksi antara HC-05 dan Android ketika pin En ini dihubungkan ke Ground, dalam contoh ini, saya tidak menggunakannya.
Selanjutnya, kita masuk pada Tahap pemrograman, pada progam ini saya akan membuat pengontrolan Lampu. Program yang saya buat adalah sebagai berikut.
kemudian ikuti gambar berikut untuk mengatur data yang akan dikirim, disini saya menggunakan 1 untuk ON, dan 0 untuk off
selesai, silahkan coba klik button tersebut, dan coba perhatikan Lampu LED yang terdapat pada board Arduino. selamat mencoba, jika ada yang kurang jelas silahkan ajukan pertanyaaan dikolom komentar.
Supaya kita dapat menggunakan ponsel Android kita untuk mengontrol perangkat-perangkat yang kita kehendaki, kita membutuhkan beberapa Software dan Hardware tambahan, diantaranya
1. Hardware
a. Board Arduino,
Board Arduino ini digunakan sebagai kontroller
b. Modul HC-05.
HC-05 merupakan sebuah Modul bluetooth yang dapat kita hubungkan dengan Mikrokontroller Arduino, Modul ini memungkinkan kita mengontrol perangkat-perangkat rumah kita melalui Smartphone Android dengan menggunakan koneksi bluetooth. berikut adalah tampilan dari modul HC-05
sumber image: Tokopedia
2. Software
- Arduino IDE (software untuk memprogram Arduino IDE)
- Arduino Bluetooth controller (software yang akan digunakan untuk komunikasi antara Android dan board Arduino
Setelah kita selesai pada tahap pengumpulan bahan yang dibutuhkan, selanjutnya kita masuk pada tahapan perancangan perangkat kerasnya. skema perancangan perangkat kerasnya dapat dilihat pada Gambar berikut
Keterangan Gambar:
Untuk lebih jelasnya, konfigurasi dari skema diatas dapat ditulis sebagai berikut
- pin VCC dihubungkan dengan pin 5V pada Arduino.
- pin GND dihubungkan dengan pin GND Arduino.
- pin TX (transmit) dihubungkan dengan pin D10 Arduino, karena pin D10 dapat digunakan sebagai RX (receive) sehingga pengkabelannya, pin TX pada HC-05 dihubungkan dengan pin D10 (RX) pada Board Arduino.
- pin RX dihubungkan dengan pin D11 Arduino, karena pin D11 dapat digunakan sebagai TX (transmit) sehingga pengkabelannya, pin RX pada HC-05 dihubungkan dengan pin D11 (TX) pada Board Arduino.
untuk pin En (Enable), pin ini sebenarnya dapat digunakan untuk memutuskan koneksi antara HC-05 dan Android ketika pin En ini dihubungkan ke Ground, dalam contoh ini, saya tidak menggunakannya.
Selanjutnya, kita masuk pada Tahap pemrograman, pada progam ini saya akan membuat pengontrolan Lampu. Program yang saya buat adalah sebagai berikut.
// Program pengontrolan LED menggunakan bluetooth
#include
SoftwareSerial mySerial(10, 11); // RX, TX
int blues; // Variable untuk menyimpan data dari HC-05
void setup() {
// Open serial communications and wait for port to open:
Serial.begin(9600); // Mengatur Baudrate serial monitor
mySerial.begin(9600); // Mengatur Baudrate HC-05
mySerial.println("Please Send me few Command");
pinMode(13, OUTPUT); // Mengatur pin 13 (pin LED yang terdapat pada Arduino sebagai output
}
void loop() {
if (mySerial.available()) {
blues = mySerial.read(); //mengisi variable blues
// dengan data yang diterima oleh HC-05
if (blues == '1'){ // jika data yang diterima adalah 1
digitalWrite(13, HIGH); // maka LED Arduino akan menyala
Serial.print("LED ON"); //mencetak informasi bahwa LED menyala di serial monitor
}
if (blues == '0'){
digitalWrite(13, LOW);
Serial.print("LED OFF");
}
}
}
Setelah selesai, Upload program diatas kemudian selanjutnya kita lanjut pada tahap pengaturan Arduino bluetooth controller. untuk pengaturan aplikasi Arduino bluetooth controller sederhana saja, pertama, koneksikan ponsel sobat dengan HC-05, jika pada saat mulai dikoneksikan diminta sandi, masukkan saja 1234, karena itu merupakan sandi default HC-05,kemudian ikuti gambar berikut untuk mengatur data yang akan dikirim, disini saya menggunakan 1 untuk ON, dan 0 untuk off
selesai, silahkan coba klik button tersebut, dan coba perhatikan Lampu LED yang terdapat pada board Arduino. selamat mencoba, jika ada yang kurang jelas silahkan ajukan pertanyaaan dikolom komentar.

Comments
Post a Comment